Руководство по ремонту и обслуживанию Geely Emgrand (EC718) является полноформатной заводской технической документацией, предназначенной для детального изучения конструкции автомобиля и выполнения регламентных и ремонтных работ. Данный сервисный мануал охватывает все основные системы и узлы автомобиля и может использоваться как в условиях профессионального автосервиса, так и при самостоятельном техническом обслуживании.
В руководстве последовательно изложена общая информация об автомобиле Geely Emgrand EC718, приведены сведения по устройству основных систем, правилам эксплуатации и требованиям безопасности при выполнении ремонтных операций. Отдельное внимание уделено описанию конструкции узлов и агрегатов, что позволяет точно понимать принцип их работы и корректно выполнять диагностику неисправностей.

В разделе, посвящённом двигателям, рассматриваются бензиновые силовые агрегаты, устанавливаемые на автомобили Geely Emgrand (EC718). Руководство содержит данные по устройству двигателя, системе питания, системе зажигания, охлаждению и смазке. Приведены схемы, таблицы технических параметров, а также последовательности разборки и сборки. Описываются процедуры технического обслуживания, проверки состояния компонентов и методы устранения типовых неисправностей. Информация изложена в сервисном формате, с указанием допусков и требований производителя.
Раздел коробок передач включает описание механических и автоматических трансмиссий, применяемых на Geely Emgrand EC718. В руководстве представлены сведения по конструкции коробок передач, сцеплению, приводам и связанным элементам. Подробно описаны операции по регулировке, обслуживанию и ремонту, а также методы диагностики неисправностей трансмиссии. Используются схемы и технические иллюстрации, упрощающие понимание устройства агрегатов.

Отдельный крупный блок посвящён ходовой части и рулевому управлению. В этом разделе рассматриваются элементы подвески, амортизаторы, пружины, стабилизаторы, рулевой механизм и узлы крепления. Руководство содержит информацию по проверке технического состояния, замене изношенных деталей и правильной установке компонентов. Также приводятся данные по углам установки колёс и рекомендациям по обслуживанию.

Раздел тормозной системы охватывает устройство и обслуживание передних и задних тормозных механизмов, гидравлической системы, а также связанных элементов. В руководстве описаны процедуры проверки, замены тормозных колодок и дисков, обслуживания тормозных магистралей и элементов управления. Информация представлена в пошаговом формате, характерном для заводских сервисных мануалов.

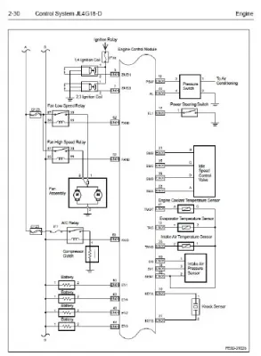
В документации подробно рассмотрено электрооборудование автомобиля Geely Emgrand (EC718). Приводятся электрические схемы, расположение электронных блоков управления, датчиков и исполнительных механизмов. Описаны системы освещения, приборная панель, элементы комфорта и безопасности. Электросхемы позволяют проводить точную диагностику электрических цепей и корректно выполнять ремонтные работы.
Раздел, посвящённый кузову, содержит сведения по конструктивным элементам кузова, навесным деталям, дверям, капоту и багажному отделению. Рассматриваются операции по снятию и установке элементов, регулировке зазоров и обслуживанию кузовных узлов. Информация полезна при восстановительных и ремонтных работах.
Также в руководстве присутствуют данные по плановому техническому обслуживанию, включая регламенты замены расходных материалов, проверочные операции и интервалы обслуживания. Приведены таблицы и сервисные рекомендации, соответствующие требованиям производителя.
Руководство предназначено для автомобилей Geely Emgrand EC718 и не привязано к одному конкретному календарному модельному году, что характерно для заводских сервисных мануалов, охватывающих определённый модельный ряд и тип кузова. Документация применяется для автомобилей данной серии в стандартной заводской конфигурации.
Данный мануал является полноценным источником технической информации и может использоваться как основное руководство по ремонту и обслуживанию Geely Emgrand (EC718). Материал структурирован, логично организован и ориентирован на практическое применение.
Руководство по ремонту Geely Emgrand EC718, EC718RV,EC715, EC715RV
Полное описание всех систем и узлов, иллюстрации, электросхемы, таблицы.
Год выпуска: 2009 г.
Автор: Geely Automotive Co
Издательство: Geely Automotive Co
Формат: PDF
Количество страниц: 180
Качество: Изначально компьютерное (eBook)
Язык авто-книги : Английский
