
Infiniti M35-45 Y34 Y50 Service Manual 2003-2007 — это официальное заводское руководство по ремонту и техническому обслуживанию автомобилей Infiniti серии M. Документация предназначена для моделей Infiniti M35 и Infiniti M45 в кузовах Y34 и Y50 и охватывает модельные годы с 2003 по 2007. Руководство выполнено в формате Factory Service Manual и используется в официальных сервисных центрах Infiniti.
Материал структурирован по отдельным техническим разделам, каждый из которых представлен в виде самостоятельных сервисных PDF-документов. Такая структура позволяет выполнять диагностику, обслуживание и ремонт автомобиля строго в соответствии с заводскими регламентами и техническими требованиями производителя.

Двигатели, описанные в руководстве
В сервисной документации подробно рассмотрены два бензиновых двигателя, устанавливаемые на автомобили Infiniti M данного поколения:
-
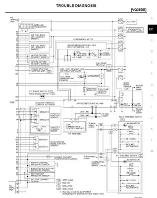
VQ35DE — бензиновый V-образный шестицилиндровый двигатель, применяемый на Infiniti M35
-
VK45DE — бензиновый V-образный восьмицилиндровый двигатель, устанавливаемый на Infiniti M45
Для каждого двигателя в руководстве присутствуют заводские разделы:
-
EM (Engine Mechanical) — механическая часть двигателя
-
EC (Engine Control) — система управления двигателем
-
EI (Engine Electrical) — электрические компоненты двигателя
-
CO (Cooling System) — система охлаждения
-
LU (Lubrication System) — система смазки
В данных разделах приведены процедуры разборки и сборки двигателя, контрольные размеры, допуски, моменты затяжки, а также методы диагностики и проверки рабочих параметров. Это позволяет использовать руководство по ремонту Infiniti M35 M45 для полноценного обслуживания и ремонта силовых агрегатов.
Коробка передач и трансмиссия
В Service Manual присутствуют разделы AT (Automatic Transmission) и ATC (Automatic Transmission Control), посвящённые автоматической коробке передач, применяемой на моделях Infiniti M35 и M45:
-
RE5R05A — 5-ступенчатая автоматическая коробка передач
В данных разделах рассматриваются конструкция коробки передач, гидравлическая система, электронное управление, диагностические процедуры и сервисные операции. Также представлены схемы и таблицы неисправностей, позволяющие точно определить причину отказов трансмиссии.
Дополнительно в руководстве присутствуют разделы:
-
DI (Driveline) — элементы трансмиссии и приводов
-
RFD (Rear Final Drive) — задний редуктор
Ходовая часть и рулевое управление
Для обслуживания шасси автомобиля в документации предусмотрены следующие заводские разделы:
-
FSU (Front Suspension) — передняя подвеска
-
RSU (Rear Suspension) — задняя подвеска
-
ST (Steering) — рулевое управление
В них содержатся схемы, контрольные параметры и пошаговые инструкции по ремонту и регулировке элементов подвески и рулевого механизма.
Тормозная система
Тормозной системе посвящены разделы:
-
BR (Brake System) — тормозные механизмы
-
BRC (Brake Control) — электронные системы управления тормозами
Документация охватывает обслуживание тормозных механизмов, диагностику электронных систем и проверки рабочих параметров.

Электрооборудование и электрические схемы
Раздел WT (Wiring Diagram) содержит полные электрические схемы автомобилей Infiniti M35 и M45. В нём представлены цепи питания и заземления, схемы электронных блоков управления, системы освещения, климат-контроль и вспомогательные электронные системы. Схемы выполнены в заводском формате с обозначением разъёмов, номеров цепей и цветов проводов, что делает Infiniti M Y50 Service Manual особенно ценным при диагностике электрических неисправностей.
Системы безопасности, кузов и салон
В руководстве также представлены разделы:
-
SRS (Supplemental Restraint System) — система пассивной безопасности
-
SB (Seat Belts) — ремни безопасности
-
BL (Body, Lock & Security) — кузов и системы запирания
-
WW (Wiper & Washer) — стеклоочистители и омыватели
-
ACC (Accessories) — дополнительное оборудование
Описаны процедуры демонтажа и установки элементов кузова и салона, а также обслуживание вспомогательных систем автомобиля.
Год выпуска: 2007
Язык интерфейса: Английский
Разработчик: Nissan Motor Co., Ltd.
Формат: PDF , программа для открытия PDF
Качество: eBook
