Справочное пособие содержит техническую документацию с помощью, которой вы можете узнать об устройстве автомобиля Урал, получить советы по эксплуатации и получить полные пошаговые инструкции по техническому обслуживанию и ремонту машин.
Данные автомобили использовались и используются на постсоветском пространстве в различных сферах жизни. Данные грузовики используются на строительных площадках, в военных частях, в нефтеперерабатывающих отраслях для перевозки нефтепродуктов и в других отраслях. Поэтому для многих стоит вопрос своевременного ухода за автомобилем и его техническим состоянием.
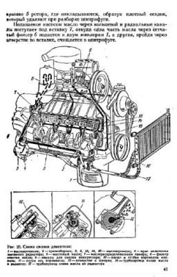
Издание содержит иллюстрации устройства автомобиля и процедур технического обслуживания. На представленных схемах в книге досконально показан полностью процесс устранения неисправностей в узлах и агрегатах автомобиля. Также по каждой процедуре даны советы, при соблюдении которых можно отлично выполнить все технические работы.
Год выпуска: 2001
Издательство: «Воениздат»
Формат: PDF/DjVu/(распознан), программа для открытия PDF (Turbobit)
Качество: Распознанный текст(OCR)
Количество страниц: 313
Язык : Русский
размер : 25 мб.
Категория:
Руководства
