9 115 просмотров
0
  • 100

Toyota Camry 1994, 2002-2007 Service Manuals

Toyota Camry 1994, 2002-2007 Service Manuals
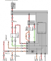
Toyota Camry 1994, 2002-2007 Service Manuals - Toyota Camry является очень надежным и комфортным автомобилем. Сейчас на территории стран бывшего СССР автомобиль пользуется очень хорошим спросом. Но, к сожалению, как и вся техника даже с высокой надежностью, может и поломаться. Хорошо если в вашем городе есть сервис центр ремонтирующий автомобили Toyota, вы можете загнать туда автомобиль и заменить вышедшие из строя запчасти. А как быть, если в мастерской на ремонт автомобиля нужно записываться в очередь за неделю вперед или в вашем городе нет вообще станций технического обслуживания данной марки автомобиля? Выход выполнить ремонт самостоятельно и сэкономить деньги. Сервис мануалы по ремонту и техническому обслуживанию автомобилей Toyota Camry 1994 и 2002 по 2007 годы выпуска, включая гибридные автомобили 2007 года. В руководствах содержится много справочной информации по техническим характеристикам автомобиля, его конструкции, пошаговые описания процедур по ремонту и техническому обслуживанию узлов и систем, электрические схемы, данные по идентификации автомобиля и др. С помощью множества иллюстраций в руководствах описан весь технический процесс демонтажа, монтажа, регулировки основных узлов и систем автомобиля. И хотя все действия описаны в справочных пособиях на английском языке, понять, что, зачем и когда выполнять не трудно. Чтобы выполнить ремонт электрической части автомобиля, в руководстве Toyota Camry 1994, 2002-2007 Service Manuals содержатся подробные электрические схемы всех проводов и систем.



Формат:PDF + HTML
Язык:Английский


Тэги:
Toyota
Категория:
Руководства

Комментарии к Toyota Camry 1994, 2002-2007 Service Manuals

Информация
Посетители, находящиеся в группе Гости, не могут оставлять комментарии к данной публикации.
Меню
Руководство по ремонту Toyota Camry 1994, 2002-2007 Service Manuals