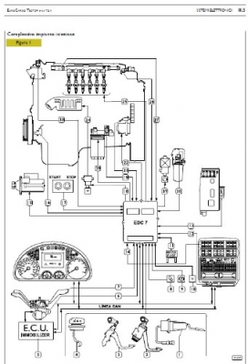
Iveco EuroCargo Tector Electrical Service Manual (2003) - Техническая документация содержащая электрические схемы электрооборудования, устанавливаемых на грузовиках Iveco EuroCargo Tector 2003 года выпуска. В справочном издании описаны, электрическое оборудование, разъемы, проводка, компоненты, даны схемы подключения и монтажа проводов. В руководстве Iveco EuroCargo Tector Electrical Service Manual (2003), даны подробные изображения всех электрических узлов грузового автомобиля Iveco EuroCargo Tector, которые показывают месторасположение компонентов в различных механизмах и агрегатах. Для того, чтобы найти нужный датчик или разъем, в руководстве даются списки цифровых обозначений на изображении, которые помогут вам их отыскать.
Год выпуска: 2003
Разработчик: Iveco S.p.A.
Язык интерфейса: Итальянский
Формат: PDF
Количество страниц: 192 шт
Качество: eBook
Чтобы открыть ссылки на файлообменники, пожалуйста зарегистрируйтесь или войдите в аккаунт.
